欢迎官方网站,品牌源于专业,服务铸造品牌!网站地图
首页 > 产品中心 > 和壹平移PPU机械手 > HY-PPU-150系列 > 正文
产品中心/Product

HY-PPU-150-S平移机械手

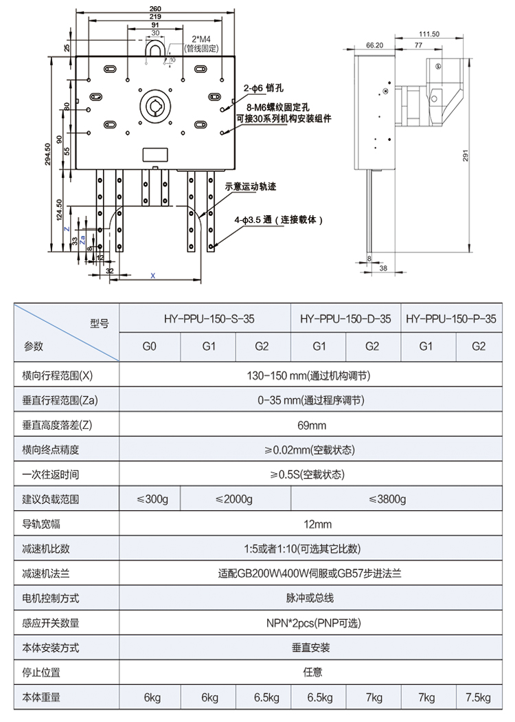
和壹PPU机械手HY-PPU-150系列,X轴方向130-150mm可调,Za轴方向0-35mm可调,Z轴方向0-69mm可调。可搭步进电机或伺服电机使用,减速机可选择直连或转角减速机。欢迎咨询,免费提供选型手册和3D模型!

六香港宝典和料大全六香港宝典和料大全六香港宝典和料大全

六香港宝典和料大全六香港宝典和料大全

关键词: ppu快速取放机械手,ppu凸轮模组,和壹ppu,信瑞ppu,日康ppu模组
Copyright © 2023 版权所有 © 六香港宝典和料大全 未经许可 严禁复制
在线客服
联系方式

热线电话

0769-22771819

上班时间

周一到周六

手机号码

15920203650

15016802970

二维码
线